Benvenuti nel GEMA Shop - il vostro esperto in tecnologia di riscaldamento, solare e sanitaria dal 1991. Vi consigliamo personalmente e vi offriamo soluzioni tecniche che funzionano davvero.
  • spedizione veloce

  • Aiuto e consulenza gratuiti

  • Aperto 7 giorni su 7

Anhaltinerring 17, 39439 Güsten

SYR  |  SKU: AFA20

Raccolta di riscaldamento automatico BA 6628 più DN20 per sistemi di riscaldamento

Prezzo normale 217,73 €
iVA inclusa. Spedizione verrà addebitato al momento del pagamento.


Consegna e spedizione

Il tempo di elaborazione è in genere di 1 giorno lavorativo. La consegna dei pacchi avviene in 1-3 giorni lavorativi. Per le spedizioni, i tempi di consegna sono di 3-5 giorni lavorativi. I tempi di consegna al di fuori della Germania variano.

Descrizione

FüllCombi BA 6628 – Stazione automatica di riempimento e rabbocco per impianti di riscaldamento centralizzato ad acqua calda

Breve descrizione

Il FüllCombi BA 6628 è un dispositivo di riempimento e rabbocco compatto, sviluppato appositamente per impianti di riscaldamento centralizzato ad acqua calda secondo la norma DIN EN 12828. Consente un collegamento permanente al tubo dell'acqua potabile secondo la norma DIN EN 1717 e sostituisce il precedente collegamento del tubo.

Funzione e campo di applicazione

Durante il riempimento l'unità integrata monitora la pressione di alimentazione; Se durante il riempimento questa scende al di sotto della pressione dell'impianto di riscaldamento, il separatore di sistema integrato BA (omologato fino alla categoria dei liquidi 4) impedisce il ritorno dell'acqua di riscaldamento nella tubazione dell'acqua potabile. Il FüllCombi è quindi ideale per edifici residenziali, proprietà commerciali e piccole forniture di calore dove sono richiesti processi di riempimento sicuri e conformi agli standard.

Vantaggi

La combinazione di intercettazione, riduttore di pressione, manometro, separatore di sistema BA e collegamento per l'acqua di scarico offre una soluzione completamente conforme alle norme in un unico dispositivo. È possibile un collegamento permanente all'impianto dell'acqua potabile anche se l'acqua di riscaldamento contiene inibitori (agenti anticorrosivi e antigelo). Dopo aver completato il processo di riempimento, si consiglia di chiudere la barriera per motivi di sicurezza.

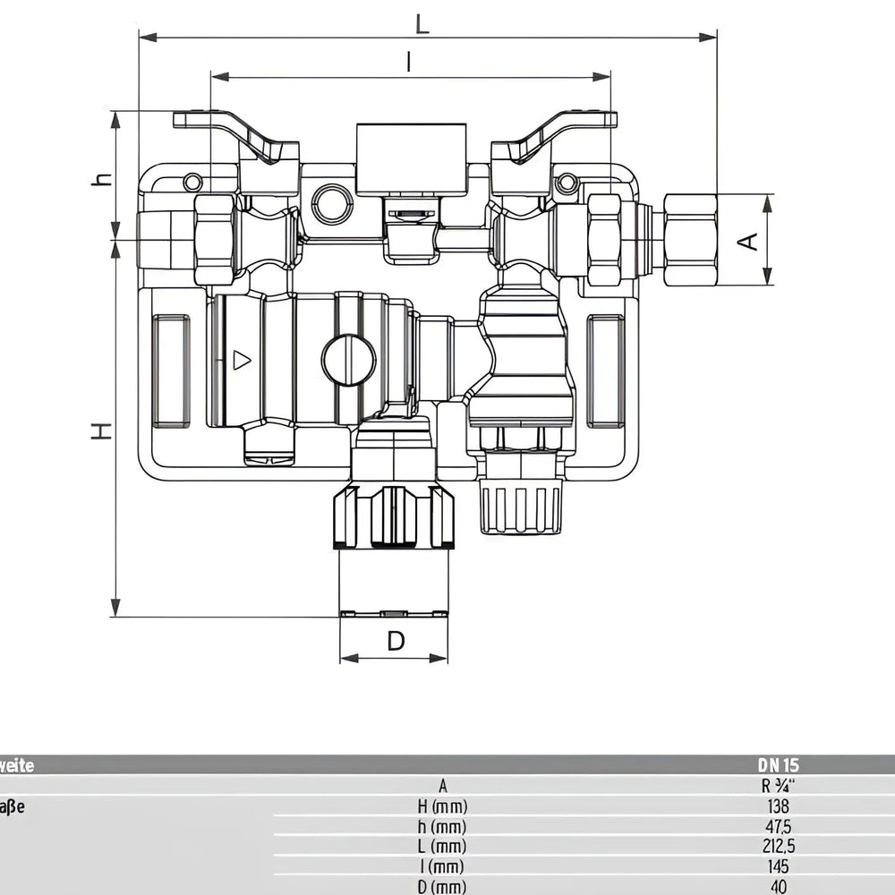
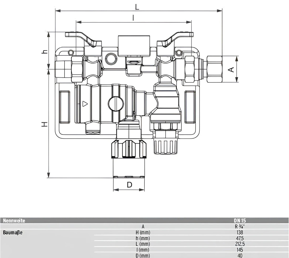
Dati tecnici

Pressione di esercizio: max. 10 bar
Temperatura di esercizio: max. 30 °C (ingresso), max. 65 °C (uscita)
Posizione di installazione: orizzontale, collegamento con imbuto verso il basso
Pressione di uscita: 0,5 - 4 bar (impostazione di fabbrica: 1,5 bar)
Mezzo: acqua potabile
Capacità di riempimento: 1,35 m³/h con Δp 1,5 bar
Collegamento dimensione: DN 20

Installazione e applicazione

Il FüllCombi deve essere installato orizzontalmente con il collegamento dell'imbuto rivolto verso il basso. È collegato permanentemente al tubo dell'acqua potabile e sostituisce le soluzioni flessibili temporanee. La pressione di uscita è impostata in fabbrica su 1,5 bar, ma può essere regolata entro il campo consentito.

Sicurezza e manutenzione

Il separatore di sistema integrato BA garantisce una protezione affidabile dell'impianto di acqua potabile anche in caso di rischio di riflusso fino alla categoria del liquido 4. La valvola di intercettazione deve essere richiusa dopo ogni processo di riempimento. Ispezioni visive regolari e controlli funzionali (manometro, perdite, collegamento delle acque reflue) prolungano la durata e garantiscono la conformità agli standard.

Fornitura & Note

Il FüllCombi BA 6628 contiene tutti i componenti menzionati: intercettazione, riduttore di pressione, manometro, separatore di sistema BA e collegamento per le acque reflue. Prima dell'installazione devono essere rispettate le normative locali e le specifiche della norma DIN EN 12828 e DIN EN 1717; Se non sei sicuro, ti consigliamo di consultare uno specialista.

pagamento & Sicurezza

Opzioni di pagamento

  • American Express
  • Apple Pay
  • Bancontact
  • BLIK
  • EPS
  • Google Pay
  • iDEAL
  • Klarna
  • Maestro
  • Mastercard
  • MobilePay
  • PayPal
  • Przelewy24
  • Shop Pay
  • Union Pay
  • Visa

I tuoi dati di pagamento vengono elaborati in modo sicuro. Non memorizziamo né accediamo ai dati della tua carta di credito.

Contattaci